自制作音响的全部工具是什么1 音箱的制作

时间:2026-01-15 02:21点击:126233次

一、自制作音响的全部工具是什么1

1、自制作音响的全部工具是什么?

2、我认为是自己制作音响的全部工具,应该由。电烙铁。钳子,改锥。

3、木锯。木板。

4、抱子钉子,胶水,镊子,松香,焊丝。

5、工作台。

6、扳手。

7、电钻。榔头。

8、我认为自己做音箱这些个工具是必不可少的。因为我做过音箱,这些个我都很清楚,谢谢您的收看,再见。

二、5 制作音箱什么板材好

音箱本身应该是尽量避免“震动”才对(需要的震动仅来自扬声器及空气)。

1、过去制作音箱比较讲究材料,据称用桦木比较好(自己动手加工桦木就知道它的好处了)。

2、材料拼接缝、阴角应胶固(过去有建议浇筑沥青的)。

3、一定要锥形脚钉支撑(据称用金属吊坠代替效果不错)。

4、理论上理想的音箱应该是一堵无穷大的隔墙,实际上无法做到,只好后面封闭做成“箱”。而被封闭的部分理论上应该消声(填充吸音材料)。倒相式音箱不要用了(早期解决功率输出、不讲究频率特性时采用的土办法,对频响影响太大)。

5、夸张地讲,混凝土浇筑的音箱比较接近理想效果。以上建议都是看过的资料介绍的,并非我本人编造。资料里讲的非常有道理。

三、自制音箱内部尺寸比例的选择

1、

假定扬声器特性表中建议箱体容积Vb为0.09056立方米。爱好者就能用这个值为实际扬声器单元确定理想的箱体尺寸了。如容积已定,先要把所要求的内部容积的立方米单位转换为立方厘米,然后再求得结果的立方根,就可以得出所要求的高度、宽度、厚度了。正方形箱体(即高度、宽度、厚度相同的箱体)对用于超低音箱是很满意的,因为这种箱体能通过增强内部驻波而提升箱体的总输出。许多市售的超低音箱都是按这种样子设计的。但是,本文的用意并非是用于超低音箱的,而是能覆盖全音频范围的两分频或三分频的音箱。

2、通过实践,许多音箱制造商已经采用了靠经验得到的“黄金”比率或“黄金”分割率,这个比例或比率与根据理想比率0.618而确定的箱体尺寸比有关。

四、怎样自制音响

1、要自制音箱,首先需要准备好所需的材料和工具,包括喇叭单元、音箱箱体、电路板、电线、电容器等。

2、然后根据自己的需求和喜好设计音箱的外观和内部结构,将喇叭单元安装在箱体中,连接电路板和电线,调试音箱的音质和效果。在制作过程中需要注意安全,遵循电路原理和操作规范,以确保音箱的质量和稳定性。自制音箱可以满足个性化需求,也可以提高DIY能力和音响知识。

五、自己做音箱

1、自制音箱是一个涉及电子、木工和声音工程等多方面知识的有趣项目。以下是一个基本的自制音箱的制作步骤:

2、设计音箱:首先,你需要设计音箱的外观和内部结构。音箱的设计应考虑到你想要的声音效果,包括低频、中频和高频的表现。

3、音箱的尺寸和形状也会影响声音的表现。

音箱的制作

4、准备材料:你需要准备一些基本的材料,包括木板、胶水、螺丝、音箱布、电子元件(如电阻、电容、电感、扬声器等)等。

5、制作音箱箱体:按照你的设计,使用木板、胶水和螺丝制作出音箱的箱体。注意箱体的密封性和坚固性,这对音箱的声音效果有重要影响。

6、安装扬声器:在箱体的适当位置安装扬声器。扬声器的安装位置和角度也会影响声音的表现。

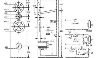
7、安装电子元件:在箱体内安装电子元件,如功率放大器、电源等。这些元件的选择和安装也会影响音箱的声音效果。

8、调试音箱:安装完所有元件后,进行调试。你可以使用音频发生器或音乐播放器来测试音箱的声音效果,并根据需要进行调整。

音箱的制作

9、美化音箱:最后,你可以给音箱加上音箱布或其他装饰材料,使其看起来更美观。

10、自制音箱需要一定的专业知识和经验,如果你是初学者,可能需要花费一些时间来学习和实践。

11、自制音箱的声音效果可能不如专业音箱,因此在制作过程中需要有所取舍。